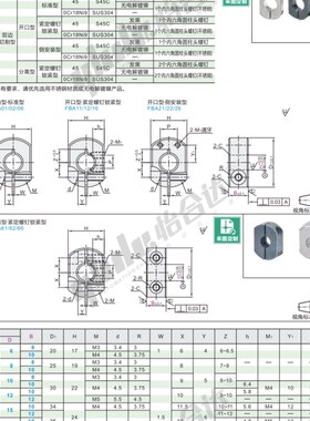
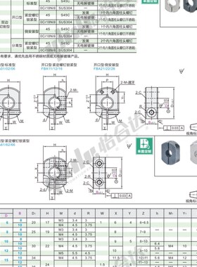
FBA21FBA22FBAD10¥200去看看钱破百货商贸发布了FBA21 FBA22 FBA26-D6 D8 D10 D12 D15 D16 D20-B8 B10 B12 B15FBA21FBA22FBAD10¥200去看看tb783192511224发布了FBA21 FBA22 FBA26-D6 D8 D10 D12 D15 D16 D20-B8 B10 B12 B15固定FBAD10D12¥2.90去看看鑫茂精密自动化发布了固定环FBA22-D6 D8 D10 D12 D15 D16 D20-B8 B10 B12 B15 B18FBA21FBA22FBAD10¥200去看看yyqxdddttt的小店发布了FBA21 FBA22 FBA26-D6 D8 D10 D12 D15 D16 D20-B8 B10 B12 B152.9 元券固定FBA012520¥25.60去看看园翌雪化清风专卖店发布了FBA01固定环02/06/11/B12/16/21/22/61/62/66/26-D10/15/20/25/30变频风扇FBA06T24Hpanaflo¥150去看看品诺散热风扇发布了FBA06T24H 9K22DD全新panaflo 6025 24V 0.11A 6CM 变频风扇80 元券百特控制仪表调节器温控器¥16300去看看风吟小商贸城的小店22发布了FBA506600VP百特智能调节器温控器通用自整定PID调节控制仪表议价变频器实物现货¥99.90去看看工控自动化一站式采购平台发布了全新安川E1000 22KW变频器 CIMR-EB4A0044FBA 现货实物拍摄议价议价询价变频器CIMR¥17789.70去看看天越星电子科技设备发布了议价E型变频器CIMR-EB4A0044FBA 22KW /【询价】变频器AB4A0044FBA全新供应¥77450去看看嘉佳015的小店25发布了全新供应 安川变频器AB4A0044FBA(18kw/22KW)23.9 元券镀镍切割固定15¥22.10去看看尊慕斯五金旗舰店发布了切割固定环镀镍FBA22-D10 12 15 16 20 25 30 35 40-B8 B10 15 181 元券电脑板海尔电路板0011800592¥1190去看看伟柏电子工厂直销发布了适用海尔空调电脑板0011800592 主板KFR-72L/50L/FBA22AU1电路板2 元券议价商品安川CIMR¥32380去看看顺发工控商城发布了安川CIMR-AV4A0044FBA22/18.5KW/15--议价商品电脑板电路板0011800592适用¥580去看看至诚电子直销店发布了适用于海/尔空调电脑板电路板0011800592KFR-72L/50L/FBA22AU1电脑板电路板0011800592适用¥420去看看百信电子商行发布了适用于海/尔空调电脑板电路板0011800592KFR-72L/50L/FBA22AU1口型双边切割分离¥28.80去看看雪染枫红商城的小店4发布了FBA21固定环FBA22 FBA26双边切割型 开口型 FBA61 FBA62分离型双边切割固定FBA21¥100去看看鸿利传动商行发布了FBA21 FBA22 FBA26-D25 30 35 40-B12 15 18 固定环 双边切割型固定FBA21FBA2210¥100去看看鸿利传动商行发布了FBA21 FBA22 FBA26-D6 8 10 12 15 16 20-B8 10 12 15 固定环固定FBA21FBA2210¥100去看看程建FA自动化零件发布了FBA21 FBA22 FBA26-D6 8 10 12 15 16 20-B8 10 12 15 固定环固定FBA21FBA2210¥100去看看东莞铧钢精密机械发布了FBA21 FBA22 FBA26-D6 8 10 12 15 16 20-B8 10 12 15 固定环双边切割固定FBA21¥100去看看东莞铧钢精密机械发布了FBA21 FBA22 FBA26-D25 30 35 40-B12 15 18 固定环 双边切割型双边切割固定FBA21¥100去看看轴承巴士自动化零件发布了FBA21 FBA22 FBA26-D25 30 35 40-B12 15 18 固定环 双边切割型双边切割固定FBA21¥100去看看程建FA自动化零件发布了FBA21 FBA22 FBA26-D25 30 35 40-B12 15 18 固定环 双边切割型固定FBA21FBA2210¥100去看看轴承巴士自动化零件发布了FBA21 FBA22 FBA26-D6 8 10 12 15 16 20-B8 10 12 15 固定环电脑板海尔电路板0011800592¥800去看看鑫兴电器配件发布了原装海尔空调电脑板电路板 0011800592 KFR-72L/50L/FBA22AU1议价变频器商品A1000¥4411.20去看看新潮工控发布了安川A1000变频器CIMR-AB4A0044FBA22议价商品议价变频器商品A1000¥33960去看看新潮工控发布了安川A1000变频器CIMR-AB4A0044FBA22议价商品议价变频A1000安川¥93600去看看旭烨工控设备发布了议价安川A1000变频B器,CIMR-A4,A0044FBA22固定FBA21FBAD25¥70去看看旭越FA自动化发布了固定环FBA21 FBA22-D20 D25 D30 D35 D40-B10 B12 B15 B18固定FBA21FBAD10¥70去看看旭越FA自动化发布了固定环FBA21 FBA22-D6 D8 D10 D12 D15 D16 D20 D25-B8 B10 B12固定FBAD30D35¥2.90去看看鑫茂精密自动化发布了固定环FBA22-D25 D30 D35 D40-B8 B10 B12 B15 B18FBA固定1210¥23.70去看看黑猴五金旗舰店发布了固定环 FBA12/FBA21/FBA22/FBA26-D10/D12/D15-B10/B15/B18安川CIMR004418.5¥21610去看看德峰工控商行发布了安川CIMR-AV4A0044FBA22/18.5KW/15议价变频器H1000安川¥6880去看看百佳工控发布了【议价】安川H1000变频器CIMR-HB4A0009FBA22FBA21FBA22FBAD10¥100去看看蓝精灵FA自动化零件发布了FBA21 FBA22 FBA26-D6 D8 D10 D12 D15 D16 D20-B8 B10 B12 B15替代固定FBA21FBA22¥100去看看蓝精灵FA自动化零件发布了FBA21 FBA22 FBA26-D25 D30 D35 D40-B12 B15 B18 固定环 替代YHD议价适用安川CIMR¥26140去看看广东天润工控设备发布了【议价】安川CIMR-AV4A0044FBA22/18.5KW/15适用FBA40CA50FBA40BA50FBA40AA50FBA22N50A¥80去看看电子元件88888发布了FBA40CA50 FBA40BA50 FBA40AA50 FBA22N50A FBA06A24HFBA12FBA16FBA21FBA22¥100去看看康达电子科技发布了FBA12 FBA16 FBA21 FBA22 FBA26-D6 8 10 12 15 16 20-B8 10 12下单询价安川CIMR¥14900去看看兴汇达工业数控发布了安川CIMR-AV4A0044FBA22/18.5KW/15 询价下单安川CIMR004418.5¥19810去看看电子设备商铺发布了安川CIMR-AV4A0044FBA22/18.5KW/15安川CIMR004418.5¥21610去看看德峰工控商行发布了安川CIMR-AV4A0044FBA22/18.5KW/15询价变频器A1000安川¥4635.50去看看福耀工控设备发布了安川A1000变频器CIMR-AB4A0044FBA22【询价】议价变频器A1000CIMR¥27720去看看申鑫电子设备企业店发布了议价:A1000变频器CIMR-AB4A0044FBA22询价安川CIMR0044¥21720去看看盘古严选好物发布了询价~安川CIMR-AV4A0044FBA22/18.5KW/15胖胖商铺安川CIMR¥23380去看看胖子麻辣零食店发布了安川CIMR-AV4A0044FBA22/18.5KW/15(胖胖商铺)零零电子安川CIMR¥23610去看看胖子麻辣零食店发布了安川CIMR-AV4A0044FBA22/18.5KW/15(零零电子)变频器安川CIMR0044¥234030去看看原装正品工控店仓库直发发布了安川E型变频器CIMR-EB4A0044FBA22KW/询价变频器A1000安川¥67000去看看LXL设备发布了【请询价】安川A1000变频器CIMR-AB4A0044FBA22议价适用CIMR0044¥26740去看看升盛进口自动化设备发布了议价CIMR-AV4A0044FBA22/18.5KW/15适用询价安川CIMR0044¥24920去看看tb17345638778564发布了安川CIMR-AV4A0044FBA22/18.5KW/15【询价】维修咨询安川CIMR¥22100去看看唐發工业设备发布了安川CIMR-AV4A0044FBA22/18.5KW/15咨询维修询价变频器A1000CIMR¥6750去看看申鑫电子设备企业店发布了询价:A1000变频器CIMR-AB4A0005FBA22空箱议价标价安川¥880去看看二手配件设备发布了标价是空箱-安川CIMR-AV4A0044FBA22/18.5KW/15议价议价变频器A1000安川¥40010去看看亨通科技1号店发布了【议价】安川A1000变频器CIMR-AB4A0044FBA22海尔遥控器FBA用于¥200去看看星云网上商城发布了适用于 海尔KFR-50LW/21FBA22AU1 72LW/21FBA22AU1智能空调遥控器海尔KFR遥控器CBA¥38.90去看看华广数码配件专营店发布了骅尔适用于海尔 KFR-50LW/10CBA23AU1 KFR-72LW/10CBA23AU1 KFR-72LW/21FBA22AU1 09FBA21U1空调遥控器FBA21FBA22FBAD10¥100去看看陈氏精密机械的小店发布了FBA21 FBA22 FBA26-D6 D8 D10 D12 D15 D16 D20-B8 B10 B12 B15替代固定FBA21FBA22¥100去看看陈氏精密机械的小店发布了FBA21 FBA22 FBA26-D25 D30 D35 D40-B12 B15 B18 固定环 替代YHD电脑板电路板0011800592适用¥490去看看百盛电子直销店发布了适用于海/尔空调电脑板电路板0011800592KFR-72L/50L/FBA22AU1