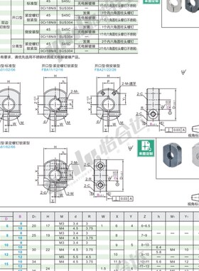
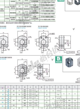
夏普散热风扇冰柜风机¥40200+去看看广州客盈门家电配件批发发布了适用于夏普冰箱冰柜冷冻散热风扇风机电机FBA12J15V DC15V 0.28A海尔散热风扇风机直流¥305去看看斌腾家电配件批发部发布了适用海尔冰箱直流风机/散热风扇/电机NMB FBA12J12M DC12V 0.23A海尔散热风扇风机直流¥32.893去看看广东大全散热风扇之家发布了适用海尔冰箱直流风机/散热风扇/电机NMB FBA12J12M DC12V 0.23A尔等风机冷冻直流¥3560去看看广州客盈门家电配件批发发布了适用于海尔等冰箱直流风机散热冷冻风扇FBA12J12M DC12V0.23A海尔冷藏风机冷冻¥3510去看看广州客盈门家电配件批发发布了适用于松下海尔冰箱冷藏冷冻风扇风机MODEL FBA12J12M DC12V0.23A海尔冷藏风机冷冻¥359去看看开拓散热科技发布了适用于海尔冰箱冷藏冷冻风扇风机MODEL FBA12J12M DC12V0.23A5 元券通风机静音风扇防水¥1160去看看瀚康工厂发布了冰箱风扇NMB-MAT MODEL FBA12J12V DC12V 静音防水通风机电机5 元券夏普散热风扇风机FBA12J15V¥1240去看看江南五金百货店企业店发布了适用夏普冰箱散热风扇风机电机 MOOEL FBA12J15V DC15V 0.28AFBA11FBA12FBAD10¥200去看看钱破百货商贸发布了FBA11 FBA12 FBA16-D6 D8 D10 D12 D15 D16 D20-B8 B10 B12 B15替代固定FBA11FBA12¥200去看看钱破百货商贸发布了FBA11 FBA12 FBA16-D25 D30 D35 D40-B12 B15 B18 固定环 替代YHD口型固定FBA11FBA12¥4.20去看看金泰精密自动化机械发布了固定环FBA11 FBA12 FBA16-D25 D30 D35 D40-B12 B15 B18开口型固定FBAD30D35¥4.80去看看鑫茂精密自动化发布了固定环FBA12-D25 D30 D35 D40-B8 B10 B12 B15 B18风扇变流器静音机箱¥27.50去看看tb283016576170发布了原装风扇 FBA12G12M 12038 12cm 12V 0.45A 变流器机箱风扇超静音风扇变流器静音机箱¥27.50去看看tb143208970715发布了原装风扇 FBA12G12M 12038 12cm 12V 0.45A 变流器机箱风扇超静音37 元券犬粮用粮法国斗牛¥2083000+去看看皇家麦乐多专卖店发布了皇家狗粮法斗专用粮FBA26/3/6KG12斤成犬幼犬狗狗法国斗牛犬犬粮65 元券斐乐运动训练跑鞋A12M541114FBA¥59429去看看视潮运动 专注正品发布了FILA斐乐BOA柔云3+ 黑色男缓震专业运动训练路跑鞋A12M541114FBA67.7 元券云路斐乐A12M541114FBA跑步¥609.315去看看赛马体育 专注正品发布了FILA斐乐BOA NUVOLE 3+柔云路跑男子黑休闲训跑步鞋A12M541114FBA40 元券斐乐鱼刺增高休闲鞋¥36986去看看MST Sports 唯有正品 不忘初心发布了Fila斐乐Sofia2.0紫鱼刺2代低帮增高厚底运动休闲鞋F12W134159FBA台式机联想电源全新¥38100+去看看戴尔/惠普/联想/店发布了全新 联想台式机280W电源HK380-12GP PC6001 DPS-280FBA PS-528153.3 元券斐乐气泡老爹休闲鞋¥479.74去看看赛马体育 专注正品发布了FILA斐乐气泡鞋棕蓝女子舒适厚底老爹鞋运动休闲鞋F12W321105FBA75 元券斐乐登山鞋探险家休闲运动¥6847去看看视潮运动 专注正品发布了FILA斐乐BOA探险家黑色男百搭休闲运动户外登山鞋A12M341201FBA散热风扇日本静音FBA08J14L¥1417去看看广东风扇之家发布了日本NMB FBA08J14L 8015 8CM 12V 0.10A 超静音电脑冰箱散热风扇58.5 元券斐乐回弹减震老爹¥526.51去看看赛马体育 专注正品发布了FILA斐乐猫爪3代灰紫女子减震回弹老爹鞋运动跑步鞋F12W144123FBA92.2 元券斐乐山猫减震耐磨¥829.82去看看赛马体育 专注正品发布了FILA斐乐 SPD LYNX 3山猫鞋男子黑时尚舒适减震耐磨A12M511201FBA40 元券斐乐老爹掠夺休闲鞋¥429100+去看看MST Sports 唯有正品 不忘初心发布了斐乐FILA掠夺者2黑灰紫复古女运动低帮休闲鞋老爹鞋F12W232140FBA20 元券费斯托转接FBAPOL¥1410去看看苏杭自动化发布了FBA-2-M12-5POL-RK 费斯托DP 9针转接2.9 元券固定FBA012520¥25.60去看看园翌雪化清风专卖店发布了FBA01固定环02/06/11/B12/16/21/22/61/62/66/26-D10/15/20/25/30斐乐老爹掠夺F12W232140FBA¥40954去看看迈燃体育SNEAKERS发布了斐乐FILA掠夺者2黑灰紫复古男女运动低帮休闲老爹鞋F12W232140FBA76.7 元券斐乐探险家A12M341201FBA跑步¥690.30去看看赛马体育 专注正品发布了FILA斐乐 BOA探险家黑色男子舒适百搭户外鞋跑步鞋A12M341201FBA61.4 元券斐乐老爹F12W541135FBA舒适¥552.60去看看赛马体育 专注正品发布了FILA斐乐蕨草2.0黑灰女子舒适经典百搭休闲老爹鞋F12W541135FBAFBA21FBA22FBAD10¥200去看看钱破百货商贸发布了FBA21 FBA22 FBA26-D6 D8 D10 D12 D15 D16 D20-B8 B10 B12 B15替代固定FBA61FBA62¥200去看看钱破百货商贸发布了FBA61 FBA62 FBA66-D25 D30 D35 D40-B12 B15 B18 固定环 替代YHD替代固定FBA01FBA02¥200去看看钱破百货商贸发布了FBA01 FBA02 FBA06-D25 D30 D35 D40-B12 B15 B18 固定环 替代YHDFBA01FBA02FBAD10¥200去看看钱破百货商贸发布了FBA01 FBA02 FBA06-D6 D8 D10 D12 D15 D16 D20-B8 B10 B12 B1554.5 元券斐乐减震透气A12M421116FBA¥490.52去看看赛马体育 专注正品发布了FILA斐乐柔云鞋白色男子减震透气户外运动鞋跑步鞋A12M421116FBA双边切割固定10¥830去看看ldqlohilob的小店发布了怡合FBA01/2/6/11/12/16/21/22/26/61-D10-B10固定环 达双边切割压缩机2R12S3R126A6A5KS146EAA215PS108FBA21¥3660去看看新泰机电设备发布了5KS146EAA21 5PS108FBA21 5PS118FBA21 2R12S3R126A6A压缩机固定FBA01FBA02FBA¥4.20去看看金泰精密自动化机械发布了固定环FBA01 FBA02 FBA06-D6 D8 D10 D12 D15 D20-B8 B10 B12 B15固定FBAD10D12¥2.90去看看鑫茂精密自动化发布了固定环FBA22-D6 D8 D10 D12 D15 D16 D20-B8 B10 B12 B15 B18固定FBAD10D12¥2.90去看看鑫茂精密自动化发布了固定环FBA02-D6 D8 D10 D12 D15 D16 D20-B8 B10 B12 B15 B18固定FBAD30D35¥2.90去看看鑫茂精密自动化发布了固定环FBA61-D25 D30 D35 D40-B8 B10 B12 B15 B18固定FBAD30D35¥2.90去看看鑫茂精密自动化发布了固定环 FBA01-D25 D30 D35 D40-B8 B10 B12 B15 B18固定FBA611015¥20去看看环启FA工厂自动化发布了怡合达同款FBA61 62-D10 12 15 16 20 25 30 40-B10 15 18 固定环固定FBAD30D35¥4.80去看看鑫茂精密自动化发布了固定环FBA02-D25 D30 D35 D40-B8 B10 B12 B15 B18CPX配件工业526172¥7963.80去看看自动化PLC配件发布了工业配件CPX-FB11/CPX-GE-EV-S/FBA-2-M12-5POL/526172/19574风扇冰箱配件12¥780去看看放盛工厂店的小店24发布了冰箱风扇配件2线FBA11J12H12V0.21ABL24A79-A费斯托德国总线正品¥810去看看FESTO代理一苏州发布了德国 原装FESTO费斯托 总线连接 FBA-2-M12-5POL 525632 正品现货斐乐放射线休闲鞋T12W331108FBA¥3690去看看齐瑞体育 只售正品发布了FILA斐乐潮牌放射线4代缓震运动休闲鞋情侣款T12W331108FBA散热风扇FBA12J15V冰箱配件¥3952去看看广东大全散热风扇之家发布了NMB-MAT MODEL FBA12J15V 配件15V 0.28A 冰箱散热风扇9V1 元券固定FBA01FBA02FBA06¥2.50去看看曦辰自动化发布了固定环 FBA01 FBA02 FBA06 FBA11 FBA12 FBA16/21/22/26/61/62/66散热风扇电冰箱风扇松下¥4561去看看鹏腾大家电配件中心发布了适用NMB-MAT FBA12J12M 12V 0.23A 冰箱风扇 松下电冰箱散热风扇散热风扇电冰箱松下FBA12J12M¥454去看看鹏腾大家电配件中心发布了适用松下电冰箱散热风扇NMB-MAT FBA12J12M 12V 0.23A夏普冷冻室海尔风机¥4556去看看广州客盈门家电配件批发发布了适用于海尔夏普冰箱冷冻室风扇风机MODEL FBA12J12V DC12V 0.35A7.9 元券冰柜风机冷冻风扇¥70.90去看看TOURMIUU托缪琉晶专卖店发布了冰箱冰柜冷冻风机MODEL FBA12J15V DC15V 0.28A原装风扇静音风机风扇防水¥582去看看鹏腾大家电配件中心发布了冰箱风扇NMB-MAT MODEL FBA12J12V DC12V 静音防水风机电机风机风扇防水FBA12J12V¥4211去看看广东大全散热风扇之家发布了冰箱风扇NMB-MAT MODEL FBA12J12V DC12V 0.35A 防水风机电机风机散热冰箱14¥702去看看家用电器配件888发布了FBA12J14V,DC14V0.28A冰箱散热风机冷藏风机冷冻风扇¥451去看看WEI家电配件经营部发布了适用松下冰箱风扇 NMB-MAT FBA12J14V 14V0.28A散热风机冷藏冷冻日立雪柜冷冻冷藏风机¥4041去看看广州客盈门家电配件批发发布了适用于日立冰箱风扇冷冻冷藏雪柜散热风机FBA12J14V DC14V 0.28A