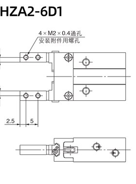
1 元券轮胎扫地适配小米¥11.458去看看惠万家扫地机配件发布了适配小米扫地机器人轮胎皮米家1S1C2C3C石头S50S51T6T7替换轮胎皮1.2 元券胶水扫地小米替换¥8.771去看看高华智能家居生活馆发布了适用于小米扫地机器人1S1C2CG10石头S50S51T6替换轮胎皮胶水配件伺服44UA6CCSGMXG安川¥77570去看看红傲菡商贸发布了SGMXG-44AUA6S1C2A 44UA6CC系2 SGDX-330AA0FOXA8002 安川伺服X4.瑞克接近开关德国S1C2S0802PO3A2¥1810去看看tb1845619854发布了德国品质瑞克接近开关S1C2S0802PO3A2 S1C2S0802PC3A2德国磁性传感器编码¥4660去看看中易自动化设备发布了传感器德国LEUZE劳易测MC336-S1C2-A磁性编码传天猫投影仪遥控器投影机¥282000+去看看软通旗舰店发布了适用天猫魔屏投影仪遥控器a1 a2 n1 nex u1 s1 s2 m1r x1s m1 m2 C1/C2天猫魔盒大眼橙投影机语音遥控板滤芯合集斯顿净水器¥51000+去看看hunsdon汉斯顿旗舰店发布了汉斯顿净水器滤芯原装正品C80/C2/D3/D5/P60/C10/S1滤芯合集3.3 元券过滤网滤芯吸尘器正品¥23.7600+去看看伍沐品牌集合店发布了清蜓吸尘器配件滤芯H2/C2/S1专用过滤网黑白集尘杯电池包原装正品27 元券林德尼克套胶乒乓球拍¥191700+去看看华清惠友运动专营店发布了多尼克乒乓球拍胶皮反胶套胶C1 C2加硬林德特制蓝色紧握S1 S2粘性花屏光机天猫暗色¥10200+去看看幻狸服务旗舰店发布了天猫魔屏S1/C2/New M2/C1光机不开机对焦雪花屏偏色亮度暗色维修2.7 元券电动牙刷声波适配替换¥19.2100+去看看米粉智能体验店发布了适配贝医生电动牙刷头C1//C2/S1/S7/E5通用声波软毛清洁替换刷头尼康佳能滑轨索尼¥1555去看看斯丹德优选发布了斯丹德快门线连接线C1/C2/S1/S2/N1/N3适用佳能尼康索尼滑轨电动不含遥控器30 元券尼克套胶乒乓球拍胶皮¥21945去看看三瀛运动专营店发布了DONIC多尼克乒乓球拍胶皮正品蓝色紧握C1 C2反胶套胶加硬S1S2粘性10 元券丸红日清日本大包¥22070去看看新宇水族用品店发布了日本日清丸红饲料AB1B2C1C2S1S2EP0EP1EP2原装大包2-20kg小型鱼粮6.6 元券瓷砖玻化砖石材灰色¥48.419去看看进口建材杭州服务中心发布了马贝高效瓷砖胶C2TE灰色/白色马贝石材与玻化砖瓷砖胶马贝高柔S1电池除颤原装LM34S002A¥12042去看看数码相机电池发布了全新原装 MINDRAY迈瑞C1/C2/S1/S2 除颤仪电池 LM34S002A迈瑞电池0.4 元券金星充电器电线通用¥3.696去看看中淋达数码发布了通用金星兴优活手环C1 Plus C2充电线X1 S1 S2手环专用快充充电器10 元券尼克套胶胶皮粘性¥23926去看看YAOSIR老妖乒乓发布了DONIC多尼克C1蓝色紧握Bluegrip粘性乒乓球胶皮S1 C2反胶套胶S23 元券电动牙刷适配DisonneDSN¥21.933去看看HOVEY皓卫旗舰店发布了适配蒂颂尼Disonne电动牙刷头R1/M6/DSN-C2/D16/S1/G2/BR-Z11.9 元券盒子腾讯机顶盒极光¥146去看看绿靓旗舰店发布了适用于极光盒子腾讯高清盒子电源线5Pro4Pro3Pro3代3C2S2C1S1V1CLB1802网络机顶盒12V1A电源粘合剂胶粘剂瓷砖石材¥525去看看玉家陶瓷发布了MAPEI马贝高效瓷砖胶C2TE粘合剂S1高柔石材大砖上墙20kg胶粘剂电池除颤氧化正品¥3884去看看六度医疗商城发布了原装正品迈瑞C1除颤仪电池S1/2/C2一次性二氧化锂锰电池LM34S002A气缸10手指SMC¥9513去看看精池气动发布了SMC型手指气缸MHZ2-10D/D1/D2/D3/DN/10S/S1/S2/10C/C1/C2夹爪滤网滤芯水洗吸尘器¥292去看看cleanfly清蜓配件特约经营店发布了清蜓cleanfly吸尘器FV2/H1/2/C2/S1集尘杯滤网HEPA可水洗滤芯配件80 元券原装S520MCMHZA¥7670去看看伯城工厂发布了S520MC原装指S气2缸MHZA2-6D/S/C/D1/D2/D手3/S1/S/3/C1/C2/C3气80 元券原装手指品牌MHZA¥7670去看看琪健工厂的小店37发布了SMC原装手指/缸MHZA2-6D/S无品牌//CD1气D2/D3//S1/S2/S3/C1/C2/C1 元券瓷砖粘结剂背胶板岩¥540去看看窟兔居商城的小店8发布了C2TES1瓷砖胶C2级瓷砖胶大板岩板上墙专用粘结剂S1瓷砖胶免背胶1 元券瓷砖粘结剂背胶板岩¥580去看看持节坊商城的小店5发布了C2TES1瓷砖胶C2级瓷砖胶大板岩板上墙专用粘结剂S1瓷砖胶免背胶1 元券金星充电器电线定制¥12.60去看看集博旗舰店发布了适用优活手环C1plus/C1/C2/X1/S1/S2/Z1充电器 金星兴充电线定制0.7 元券瓷砖粘结剂板岩专用¥68.30去看看tb15648955456发布了C2TES1瓷砖接著剂C2级瓷砖接著剂大板岩板上墙专用粘结剂S1瓷砖接瓷砖粘结剂背胶板岩¥65.50去看看tb323349944732的小店69发布了C2TES1瓷砖胶C2级瓷砖胶大板岩板上墙专用粘结剂S1瓷砖胶免背胶瓷砖粘结剂背胶板岩¥610去看看盛法苑日用品的小店16发布了C2TES1瓷砖胶C2级瓷砖胶大板岩板上墙专用粘结剂S1瓷砖胶免背胶瓷砖粘结剂背胶板岩¥590去看看时光记忆店发布了C2TES1瓷砖胶C2级瓷砖胶大板岩板上墙专用粘结剂S1瓷砖胶免背胶360 元券海尔花洒主推恒温¥26390去看看天猫优品官方旗舰店发布了海尔家用卫浴主推套餐轻智能马桶C2+花洒ST-S1H312G(恒温)10 元券气缸平行原装手指¥6970去看看金属党工厂的小店5发布了SMC原装手指气缸MHZ2-6D/D1/D2/D3/S/C/S1/C2/S3平行开闭型气爪瓷砖大板能达C2TES1¥208.80去看看狂浪商贸店发布了必能达C2TES1超柔大板瓷砖胶岩板瓷砖胶大板瓷砖胶S1瓷砖胶闭气气缸平行手指¥2340去看看jtnjwhcngp的小店发布了SMC型手指气缸MHZ2-6D/D1/D2/D3/6S/S1/S2/6C/SC1/C2平行开闭气爪气缸10手指SMC¥165.50去看看源工科技有限公司发布了SMC型手指气缸MHZ2-10D/D1/D2/D3/BDN/10S/S1/S2/10C/C1/C2夹爪气缸10手指SMC¥165.50去看看kendopqjss的小店发布了SMC型手指气缸MHZ2-10D/D1/D2/D3/DN/10S/S1/S2/10C/CY1/C2夹爪气缸10手指SMC¥161.50去看看nocecmlqmb的小店发布了SMC型手指气缸MHZ2-10D/D1/D2/D3/DN/10SK/S1/S2/10C/C1/C2夹爪1 元券金星充电器电线定制¥12.60去看看集博旗舰店发布了适用金星兴优活手环充电线C1 C2 X1智能运动手环S1 S2 Z1充电器定制德堡机收兴海议价¥9000去看看www爱上百货发布了议价-C2.器22.111/02兴海德堡S1M74机收纸传感器收纸感感应开关气缸20手指SMC¥261.50去看看怀仲旭商贸发布了SMC型气爪手指气缸MHZ2-20D-D1-D2-D3-DN/20S/S1/S2/20C/C1/C2原装全新100PF100V¥1.20去看看芯语商城发布了全新RDE5C2A101J0S1H03A原装(CAP CER 100PF 100V C05 元券150212¥1750去看看舒卷工厂店的小店47发布了1502-12C2U1B1S1气缸原装32手指¥14830去看看搁脸设计贸易发布了SMC原装气爪手指气缸MHZ2-32D/D1/D2/D3/32S/S1/S2/32C/C1/C2/C31.2 元券过滤网滤芯吸尘器正品¥57.40去看看木棉工厂店发布了清蜓吸尘器配件滤芯H2/C2/S1专用过滤网黑白集尘杯电池包原装正品除颤便携式车载急救¥16850去看看盛创百货官营店30发布了迈瑞AED除颤仪器S1S2C1C2 便携式车载家用企业心脏监测急救训练机气缸小型手指MHZA¥960去看看u[2208898419837]发布了SMC手指气缸小型气爪MHZ2-MHZA2-6D-6D1-6D2-6D3-6C2-6S1-6S3-6C1气缸小型手指MHZA¥1180去看看布仲茹商贸发布了SMC手指气缸小型气爪MHZ2-MHZA2-6D-6D1-6D2-6D3-6C2-6S1-6S3-6C1气缸小型手指MHZA¥1050去看看可立诚气动元件批发发布了SMC手指气缸小型气爪MHZ2-MHZA2-6D-6D1-6D2-6D3-6C2-6S1-6S3-6C110 元券气缸气动手指伙伴¥263.50去看看质量控工厂的小店45发布了伙伴气动手指气缸MHZA2-6D/S/C/D1/D2/D3/S1/S2/S3/C1/C2/C3气爪10 元券液位开关压力开关2210SOR¥15109.60去看看可华工厂店的小店84发布了SOR压力开关52NN-K117-M4-B1A液位开关2210A-E1B-C-S1-N4-00C2SPECIALIZED原装INTFACE全新¥10.10去看看芯语商城发布了全新TDA8035HN/C2/S1EL原装(IC INTFACE SPECIALIZED10 元券行气气缸气动手指¥229.50去看看近邻工厂店的小店3发布了伙伴气动手指气缸MHZ2-20D/D1/D2/D3/DN/S/S1/S2/C/C1/C2平行气爪接近开关P7C2B1808AO3B2P1C2B12012¥5780去看看进口元器件发布了接近开关 P7C2B1808AO3B2 S1M12-D3PO/4MM P1C2B120索尔液位开关美国2210¥138900去看看工控自动化一站式采购平台发布了美国SOR索尔液位开关 2210A-E1B-C-S1-N4-00-C2 1510C-G-C-W1-ES150212¥1800去看看安源精品商贸发布了1502-12C2U1B1S1费斯托减压阀包装使用¥6360去看看昆山市澄泰电子发布了FESTO/费斯托减压阀板VABF-S1-1-R1C2-C-10 546818 未使用 无包装