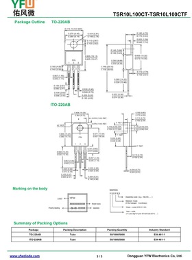
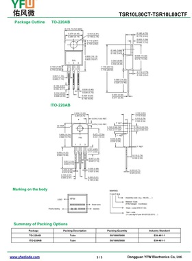
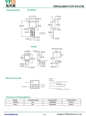
1.2 元券女童家居防滑小宝宝¥8.7700+去看看tsr工厂店发布了儿童棉拖鞋女童亲子可爱4-10岁家居室内防滑用小宝宝包跟毛鞋秋冬0.4 元券旋转开关旋钮波段¥2.8100+去看看进口电子元器件发布了现货进口8421旋转编码开关侧拨TSR-10H拨动旋钮波段旋转拨码开关固态三相继电器380V¥50200+去看看贝尔美智能科技发布了三相固态继电器380V TSR-100DA 80DA 75DA 60DA 40DA 25DA 10DA1.5 元券家居防滑木地板保暖¥10.4200+去看看tsr工厂店发布了秋冬儿童3-10岁棉拖鞋家居室内木地板防滑毛毛绒保暖可爱胡萝卜拖1.2 元券麻棉家居防滑木地板¥8.7600+去看看tsr工厂店发布了3-10岁儿童亚麻棉拖鞋家居室内防滑亲子男女情侣家用客用木地板拖0.2 元券内六角螺丝不锈钢304¥0.10去看看牧将五金旗舰店发布了内六角薄头螺丝 304不锈钢C-TSR3/4/5-6/8/10/12/16/20/250.4 元券开关编码旋转小型¥3.32去看看帝凡开关之家发布了进口8421编码开关微小型10档TDR-10 04 06 08 TSR-16旋转编码开关固态三相继电器直流¥463去看看TYRSHi旗舰店发布了tyrshi三相固态继电器模块直流控交流50a25芯片TSR-10DA25/40/200固态三相继电器直流¥163.20去看看蛮可欣商贸发布了SFKUWI 三相固态继电器 TSR-10DA 直流3-32VDC控交流480VAC 10A固态三相继电器380V¥750去看看九州气动配件批发发布了三相固态继电器380V TSR-100DA 80DA 75DA 60DA 40DA 25DA 10DA固态三相继电器380V¥750去看看万康玩顶百货店发布了三相固态继电器380V TSR-100DA 80DA 75DA 60DA 40DA 25DA 10DA固态三相继电器380V¥1040去看看国柱精密元件发布了三相固态继电器380V TSR-100DA 80DA 75DA 60DA 40DA 25DA 10DA交流固态三相继电器¥176.50去看看蛮可欣商贸发布了SFKUWI 三相交流固态继电器 TSR-10AA 交流控交流 480VAC 10A阳明DA固态三相¥530去看看全球精品工控发布了FOTEK阳明三相固态继电器模组TSR-40DA/10DA/25DA/50DA/75DA-H无触点卡扣交流固态¥1170去看看tb1611138144发布了三相无触点交流控交流固态继电器TSR-10AA-S自带卡扣散热器体积小阳明可控硅固态台湾¥770去看看时迎蕊商贸发布了FOTEK台湾阳明三相固态继电器可控硅模块TSR-40DA-H10 25 75 50AA阳明可控硅固态台湾¥800去看看改花严选店发布了FOTEK台湾阳明三相固态继电器可控硅模块TSR-40DA-H10 25 75 50AA泡棉聚氨酯回弹减震¥2940.40去看看彤瑶科技发布了热销pu阻燃泡棉密封减震高回弹聚氨酯poron泡棉tsr-10pu聚氨酯泡泡棉聚氨酯回弹减震¥2940.40去看看启布五金器械发布了热销pu聚氨酯泡棉高减震密封回弹阻燃poron泡棉tsr-10pu聚氨酯泡固态三相继电器上海¥1010去看看tb5968354225发布了上海展越三相交流固态继电器 TSR-10DA阳明可控硅固态台湾¥4746去看看万民电子科技发布了台湾阳明FOTEK三相固态继电器可控硅模块TSR10DA/25/40/60/100DA博世夹头电钻原装¥354去看看品牌电动工具维修店发布了原装博世充电钻10mm3/8自锁夹头TSR1080-2-LI GSR108-LI博士钻卡176 元券询价2TLA010060R0000继电器原装¥12860去看看银河工控发布了询价原装安全继电器 Sentry TSR10 24VDC 2TLA010060R00005 元券固态三相继电器直流¥148.20去看看五博耘优选发布了SFKUWI 三相固态继电器 TSR10DA 直流332VDC控交流480VAC 10A10 元券手钻裸机螺丝刀机头¥13730去看看创凯优选店发布了速发充电手钻电动螺丝刀TSR10-电-2-LI0钻裸机GSR1208LI机头直拍议价继电器SSR¥1920去看看万州工控设备发布了议价直拍不发:ABB安全继电器SSR32,TSR10.SSR32有3只(其SSR10现货Sentry¥8000去看看思思进口自动化发布了现货Sentry SSR10/SSR10M/SSR20/BSR10/TSR10/BSSR10现货Sentry¥8000去看看富鑫工控自动化发布了现货Sentry SSR10/SSR10M/SSR20/BSR10/TSR10/B单车道雷达波束测速仪¥200去看看龙宇科技自动化发布了24G卡口窄波束测速雷达TSR10-S 单车道超速抓拍 测速仪计量认证CONVERTERTSR108000W40V¥679800去看看科雨电子发布了TSR10【AC/DC CONVERTER 40V 8000W】ZTLA010060R0000继电器正品现货¥14000去看看进口元器件发布了全新原装正品 ZTLA010060R0000 安全继电器TSR10 现货销售电钻马达电机适用¥590去看看u[2206660862278]发布了适用博士锂电充电钻TSR1080-2-LI电机GSR10N8-LI马达15齿电钻配件2TLA010060R0000继电器原装安全¥14380去看看永来诚信自动化发布了原装安全继电器 Sentry TSR10 24VDC 2TLA010060R0000原厂10继电器USR¥5690去看看英曼卡发布了ABB安全继电器Sentry BSR10/SSR10/USR22/TSR10/USR10 24VDC原厂固态三相继电器TSR100DA¥1000去看看忻觅露商贸发布了三相固态继电器380V TSR100DA 80DA 75DA 60DA 40DA 25DA 10DA可控硅固态三相继电器¥173去看看韦基半导体发布了韦基 TSR三相固态继电器 直流控制交流 交控交 可控硅TSR10-200DA延时继电器现货全新¥12790去看看荣昇自动化科技发布了现货全新延时安全继电器 Sentry TSR10 24VDC工控继电器安全Sentry¥6510去看看威嗯电子发布了安全继电器 Sentry TSR10 24VDC,正(佳毅工控)延时继电器安全Sentry¥7600去看看优尚工业配件发布了延时安全继电器 Sentry TSR10 24VDC,SSR32议价继电器安全¥1540去看看全进口原器配件发布了ABB安全继电器SSR32,TSR10。SSR32有3只(其【议价】原厂ZTLA010060R0000继电器全新¥14000去看看英曼卡发布了全新 ABB ZTLA010060R0000 安全继电器TSR10 销售原厂2TLA010060R0000TSR10ohneABB¥5758.70去看看叁鸿自动化设备发布了ABB TSR10 2TLA010060R0000 NEU ohne OVP肖特压降二极管TSR10L300CTB¥550去看看广东佑风微电子发布了TSR10L300CTB TO-263低压降肖特基二极管 品牌肖特压降二极管TSR10V150CTI¥550去看看广东佑风微电子发布了TSR10V150CTI TO-262低压降肖特基二极管 品牌肖特压降二极管封装¥550去看看广东佑风微电子发布了低压降肖特基二极管TSR10L100CT TO-220AB封装 /品牌肖特压降二极管TSR10L80CTF¥550去看看广东佑风微电子发布了TSR10L80CTF ITO-220AB低压降肖特基二极管 品牌肖特压降二极管TSR10L60CTI¥550去看看广东佑风微电子发布了TSR10L60CTI TO-262低压降肖特基二极管 品牌肖特压降二极管TSR10L60CT¥550去看看广东佑风微电子发布了TSR10L60CT TO-220AB低压降肖特基二极管 品牌肖特压降二极管TSR10L200CTB¥550去看看广东佑风微电子发布了TSR10L200CTB TO-263低压降肖特基二极管 品牌肖特压降二极管TSR10V100CTI¥550去看看广东佑风微电子发布了TSR10V100CTI TO-262低压降肖特基二极管 品牌肖特压降二极管封装¥550去看看广东佑风微电子发布了低压降肖特基二极管TSR10L100CTF ITO-220AB封装 /品牌肖特压降二极管TSR10L80CTB¥550去看看广东佑风微电子发布了TSR10L80CTB TO-263低压降肖特基二极管 品牌肖特压降二极管TSR10L300CT¥550去看看广东佑风微电子发布了TSR10L300CT TO-220AB低压降肖特基二极管 品牌肖特压降二极管TSR10L80D¥550去看看广东佑风微电子发布了TSR10L80D TO-252低压降肖特基二极管 品牌肖特压降二极管TSR10V200D¥550去看看广东佑风微电子发布了TSR10V200D TO-252低压降肖特基二极管 品牌肖特压降二极管TSR10V120CTB¥550去看看广东佑风微电子发布了TSR10V120CTB TO-263低压降肖特基二极管 品牌肖特压降二极管TSR10V120CTF¥550去看看广东佑风微电子发布了TSR10V120CTF ITO-220AB低压降肖特基二极管 品牌肖特压降二极管TSR10V150CTB¥550去看看广东佑风微电子发布了TSR10V150CTB TO-263低压降肖特基二极管 品牌肖特压降二极管TSR10V200CTB¥10000去看看广东佑风微电子发布了TSR10V200CTB TO-263低压降肖特基二极管 品牌肖特压降二极管TSR10L150CTB¥550去看看广东佑风微电子发布了TSR10L150CTB TO-263低压降肖特基二极管 品牌