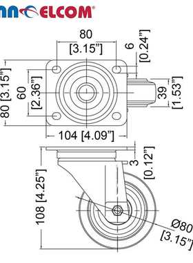
车轮四代路亚海钓¥48554去看看海矶户外发布了PENN奔乐纺车轮BATTLE IV 决战四代海钓全金属纺车轮远投路亚轮20 元券三代路亚鱼线海钓¥521.518去看看海矶户外发布了奔乐PENN新款决战三代防海水海钓鱼线轮远投路亚轮无间隙海钓竿路亚渔轮鱼线海钓¥26814去看看LEGEND 路亚发布了品奔乐PENN暴怒纺车轮 鱼线轮路亚轮海钓船钓大物轮巨物轮渔轮30 元券七代渔线轮渔轮铁板¥68429去看看海矶户外发布了美国奔乐SSVII七代纺车轮PENN鱼轮 淡海水渔线轮铁板拖钓大物渔轮126 元券渔线轮美国原装进口激荡¥7139去看看西子进出口有限公司发布了PENN美国奔乐原装进口鱼轮 激荡CFT 淡海水纺车轮 全金属渔线轮428 元券渔线轮纺车日本Authority¥30911去看看天猫国际全球探物发布了日本直邮PENN 纺车渔线轮 PN Authority 4500HS车轮屏蔽海水防水¥12803去看看LEGEND 路亚发布了日纯PENN Slammer IV 海水强力纺车轮 奔乐巨物IPX6级别 防水屏蔽5.2 元券戴维斯杯海德耐磨网球¥29.3700+去看看三易体育发布了HEAD海德 TOUR专业耐磨DAVIS Penn训练戴维斯杯比赛黄金网球XT87 元券香风短外套法式折起¥366321去看看ba&sh官方旗舰店发布了【季末8折起】[臻奢系列]bash冬季法式静奢小香风短外套1H25PENN1100 元券老花自营女包节日¥119912去看看天猫国际自营时尚范发布了【自营】COACH/蔻驰Penn21经典老花斜挎单肩包时尚女包节日礼物螺母尔康卡式机架¥10.4100+去看看Penn Elcom发布了Penn Elcom番尔康机柜卡式螺母撬片撬板螺母拆装工具通用机架夹具7.3 元券海德用球罐装PICKLEBALL¥2948去看看哲哲运动专营店发布了HEAD海德匹克球PICKLEBALL比赛训练用球3粒罐装PENN OUTDOOR1100 元券手提包自营女包棕色¥11997去看看天猫国际自营全球超级店发布了【自营】COACH/蔻驰Penn21棕色单肩斜挎手提包时尚女包节日礼物1125 元券挎包牛皮黑色Coach¥14750去看看百亿补贴品牌优选发布了蔻驰 Coach Penn黑色牛皮hobo包挎包462 元券香风法式外套1H25PENN¥328848去看看ba&sh官方旗舰店发布了【臻奢系列】bash博主同款2025冬季法式白色小香风外套女1H25PENN4320 元券德赖斯诺顿香港女士¥62280去看看天猫国际探物欧洲发布了1h可退 香港直邮Dries Van Noten 德赖斯 范诺顿 女士 "PENN" 长850 元券汤姆福特FT136201A眼镜¥18010去看看天猫国际探物中国香港发布了1h可退 潮奢 Tom Ford 汤姆 福特 女士 PENN-02 眼镜 FT136201A尔康卡扣木箱装配¥2.517去看看Penn Elcom发布了PennElcom番尔康金属卡扣弹簧扣木箱包装无钉装配Spring Lock165x100 元券夹克女同飞行员拉链¥13997去看看EYTYS服饰旗舰店发布了EYTYS夹克Penn双拉链飞行员夹克外套 25秋冬男女同款33.4 元券英文预售原版认知¥103.40去看看翰德图书专营店发布了【预售】吻手The Kissing Hand英文进口原版儿童绘本图书3-6岁Penn Audrey自我认知情绪管理尔康航空箱提手弹簧¥15.74去看看Penn Elcom发布了Penn Elcom番尔康航空箱把手工具设备箱弹簧提手H1052尔康航空箱提手箱包¥23.22去看看Penn Elcom发布了Penn Elcom番尔康航空箱把手工具设备箱包工业提手2346K-4H尔康百叶窗通风垂直¥14.56去看看Penn Elcom发布了Penn Elcom番尔康航空设备箱金属散热碟垂直百叶窗通风碟D05365 元券螺母卡式机架夹具¥21.60去看看展贤欧工厂店发布了Penn Elcom机柜卡式螺母撬片撬板螺母拆装工具通用机架夹具SX1100爱丽丝亚克力图记徽章¥6040去看看梦图记MONTAGE发布了梦图记出品 penn小晋原创Zine 花花爱丽丝 亚克力徽章 集章本航空箱提手拉手重型¥25.419去看看Penn Elcom发布了PennElcom重型侧装五金金属提手把手拉手航空箱工具箱H2026Z航空箱提手拉手工具箱¥16.42去看看Penn Elcom发布了Penn Elcom平面金属把手拉手弹簧提手航空箱设备工具箱工业2356碟式航空箱提手拉手¥20.61去看看Penn Elcom发布了PennElcom金属碟式提手拉手抽手航空箱配件工具箱家具音箱H7148锁扣医疗箱航空箱小号¥20.86去看看Penn Elcom发布了Penn Elcom小号镶嵌式五金扭锁锁扣航空箱设备箱医疗箱3759航空箱护角边角黑色¥4.75去看看Penn Elcom发布了Penn Elcom黑色铁护角包角包边角码工具设备箱航空箱C0670K护角尔康航空箱防撞¥1.34去看看Penn Elcom发布了Penn Elcom番尔康航空箱护角工具设备箱防撞五金防护角码B1121锁扣尔康航空箱中型¥18.45去看看Penn Elcom发布了Penn Elcom番尔康航空箱锁扣工具设备箱中型扭锁L905/928航空箱合页铰链镶嵌¥18.46去看看Penn Elcom发布了Penn Elcom中型镶嵌式重型金属合页铰链背撑航空箱工具箱航空箱灯光音响铝材工具箱¥70.66去看看Penn Elcom发布了Penn Elcom单包铝材航空箱设备箱工具箱灯光音响舞台配件E0825尔康航空箱铝型材铝材¥62.74去看看Penn Elcom发布了Penn Elcom番尔康航空箱铝材L型工具设备箱铝型材E2280江森流量开关叶片JOHNSONCONTROLS¥15508去看看深圳众业 10年老店发布了JOHNSONCONTROLS江森F61TB-9100流量开关PENN不锈钢叶片传感器固定器脚轮堆叠镀锌¥9.94去看看Penn Elcom发布了Penn Elcom金属镀锌3寸4寸脚轮轮窝卡槽堆叠定位固定器W0968Z合页铰链钢制电镀¥7.14去看看Penn Elcom发布了Penn Elcom配件合页小型工业包装铰链钢制电镀六孔P1327364.1 元券醋纤太阳眼镜太阳镜女士¥4364.90去看看迷衣时尚海外专营店发布了Tom Ford 女士 SS26 太阳镜 Penn D形框醋纤太阳眼镜5 元券针笔电动脸部导入¥183.50去看看协盛泰工厂的小店80发布了现货电动微针笔dr.penN2充电款脸部美容导入电动微针仪3 元券qualityPunchedElcomPanel¥121.60去看看LZY4 Flagship store发布了High quality 4pcs/lot 1U Penn Elcom Rack Panel Punched for 1魔术2025Penn教授大师¥300去看看丑木魔术教学视频库发布了魔术教学 2025Penn & Teller 教授魔术艺术 大师班 核心技术升级机柜尔康托架热销¥2350去看看晖洺科技企业店发布了热销penn elcom 番尔康 r2269-2uk-32托架 服务器 网络机柜机柜挡板背板机柜镂空¥1150去看看颗人锯科技发布了Penn Elcom 1U散热镂空金属面板挡板背板黑色网络服务器机柜配件挡板背板机柜镂空¥1170去看看星际百货实业发布了Penn Elcom 1U散热镂空金属面板挡板背板黑色网络服务器机柜配件压力开关JOHNSON28BARPENN¥138930去看看清梦百货店发布了PENN JOHNSON P100DR-70D (28BAR PED) 泵的压力开关FaceSunnnyYellowSmiley¥52.80去看看ld5 Flagship Store发布了Happy Face Flag Sunnny Yellow Smiley Face Banner Smile PennFaceSunnnyYellowSmiley¥52.80去看看LD4 Flagship Store发布了Happy Face Flag Sunnny Yellow Smiley Face Banner Smile Penn玄凤太和虎皮鸟笼¥2120去看看鹦宠の疯狂的鹦鹉发布了penn-plax虎皮牡丹玄凤小太和阳尚鹦鹉鸟笼站架镜子啃咬益智玩具黑色垫圈螺钉螺栓¥0.30去看看Penn Elcom发布了Penn Elcom金属M6螺纹螺钉黑色螺栓黑色垫圈型号搭配款S1160K改装水滴车轮conflict¥1194去看看渔获钓具发布了Gomexus革梦士ABU水滴轮纺车轮改装握丸Penn conflict改装握丸Fluorescentspecialmarkerboard¥33.50去看看群富商贸发布了极速Fluorescent board special pen marker peNn flash color pe汤姆福特FT136205A男士¥23690去看看天猫国际探物中国香港发布了1h可退 潮奢 Tom Ford 汤姆 福特 男士 PENN-02 眼镜 FT136205A汤姆福特香港男士¥23690去看看天猫国际全球探物发布了1h可退 香港直邮潮奢 Tom Ford 汤姆 福特 男士 PENN-02 眼镜 FT1太阳镜FT136205A男士黑色¥31590去看看天猫国际探物中国香港发布了1h可退 TOM FORD 男士太阳镜 FT136205A AW2025 黑色 PENN-02调速器江森询价压力¥12400去看看申鑫电子设备企业店发布了请询价: Penn 江森压力控制调速器 HP P77BEB-尔康万向轮带万向轮¥124.30去看看百鲜汇工厂店的小店45发布了Penn Elcom 番尔康 W0985/80 万向轮脚轮轮子滚轮万向轮带刹车尔康服务器机柜热销¥1806.80去看看美密五金发布了热销pennelcom尔康番r1294k/18金属主机4u服务器服务器机柜penn尔康抽屉钢制机柜¥9290去看看星眠甄选发布了Penn Elcom 番尔康 3232LK 19英寸机柜抽屉 2U 带锁抽屉钢制喷涂展示架内衣模特文胸胸罩¥202000+去看看Penn 佩恩模特发布了内衣模特道具女男半身文胸内裤塑料假人体橱窗陈列展示架胸罩模特